======規格參數=====
干式變壓器溫控器技術指標
| 環境溫度: | -20℃~+55℃ |
| 環境濕度: | < 95% (25℃) |
| 工作電壓: | AC 220V (+10%,-15%) |
| 工作頻率: | 50Hz或60Hz(±2Hz) |
| 測量范圍: | -30.0℃~240.0℃ |
| 測量精度: | ±1%FS(溫控器0.5級,傳感器B級) |
| 分辨率: | 0.1℃ |
| 風機輸出容量: | 9A/250VAC |
| 控制輸出容量: | 5A/250VAC;5A/30VDC(阻性) |
| 溫控器功耗: | ≤8W |
| 生產標準: | JB/T7631-2016《變壓器用電子溫控器》行業標準 |
| 通過認證標準: | ISO9001:2016國際質量管理體系認證 |
| 通過試驗標準: | IEC61000-4:1995 國際標準 |
| 通過技術標準: | GB/T17626-2008《電磁兼容試驗和測量技術》標準 |
福州英諾電子科技有限公司干式變壓器溫控儀品牌型號齊全, 溫控器接線圖及說明書原理簡單,廠家直銷、價格合理,歡迎詢價!
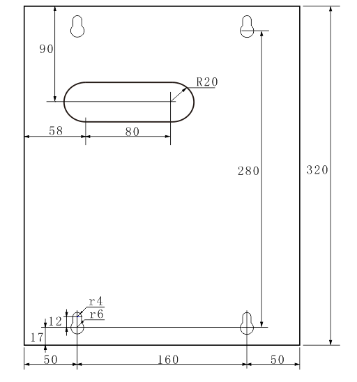
======安裝尺寸=====
| 開孔尺寸: | 280mm × 160mm |
| 外觀尺寸: | 320mm × 260mm × 90mm |
BWD-3KR溫控器尺寸圖

BWD-3KR 安裝示意圖

安裝步驟:
(1)在變壓器箱體上按安裝尺寸圖加工好4個固定孔。
(2)用M8螺絲將溫控與變壓器箱體固定好。
BWDK-3KR 溫控器端子接線圖(附加功能請來電咨詢)

注:若此接線圖與BWD-3KR溫控器實物接線圖不一致時,以BWD-3KR溫控器上實物接線圖為準。
